销售热线

0755-28397973

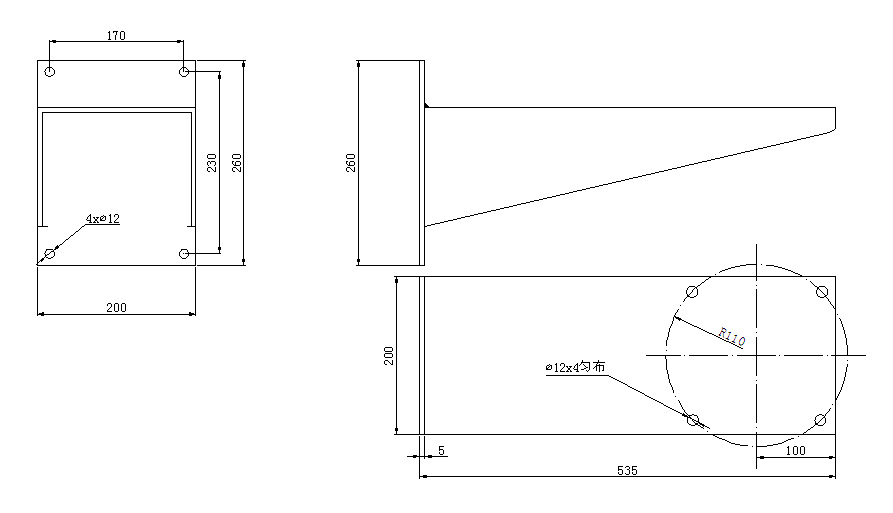
防爆重型支架

时间:2021/03/04  点击量:33

防爆重型支架

配件型号:RFHS02
功能特点:用于安装防爆云台,承重80Kg.

200*260*535, 宽*高*长

安装孔位简图:

4.jpg

地址:深圳市坪山区龙田街道德昌盛工业园B栋4楼  电话:0755-28397973  传真:0755-28397559
版权所有:深圳容方科技  技术支持:深圳容方技术部  ICP备案编号:粤ICP备09017434号-4