0755-28397973
时间:2021/03/05 点击量:49

防爆性能符合GB3836.1-2010 《爆炸性环境 第1部分: 设备 通用要求》、GB3836.2-2010《爆炸性环境 第2部分: 由:隔爆外壳“d”保护的设备》、GB12476.1-2013《可燃性粉尘环境用电气设备第 1 部分: 通用要求》、GB12476.1-2013 《可燃性粉尘环境用电气设备第 5 部分: 外壳保护型“tD”》的规定制成隔爆型结构。
产品型号:RFMC-Ex (内部编号: RFM130C/700)
防爆标志:Ex dⅡC T6 Gb/ Ex Td A21 IP68 T80℃
产品材质:优质304不锈钢
功能特点:
内置高亮度红外灯配合多种焦距镜头,15-20米红外可视距离,可见光不足时红外灯自动开启,可在夜晚和光线较差时使用
应用特种防爆玻璃,光通率高,完全消除红外灯光晕
纳米隐形雨刷,不粘水,不粘油,排斥灰尘
优质304不锈钢制造,表面抛光处理,防爆,防尘,防水,外形小
适用环境:具有ⅡA、ⅡB、ⅡC类可燃性气体,引燃温度组别为T1-T6组的1区、2区,可燃性气体或蒸气与空气形成的爆炸性混合物的场所,也适用于引燃温度组别为T1-T6组的20区、21区、22区,含有可燃性粉尘混合物的场所。如:石油、化工、矿井、军工、医药、油库、轮船、钻井平台、加油站、花炮生产、粮食加工储存等。
型号/电视制式 | RFMC-Ex (内部编号: RFM130C/700) |
防爆标志 | Ex dⅡC T6 Gb/ Ex Td A21 IP68 T80℃ |
防护等级 | IP68 |
电气连接 | 复合电缆输出 |
图象传感器 | 1/3"SONY Super HAD CCD |
解析度 | 700 TVLine |
最低照度 | 0Lux(红外灯开启) |
红外距离 | 15-20米 |
红外开关 | 照度低于0Lux自动开启 |
镜头 | 4/6/8mm 可选 |
供电电压 | DC12V |
工作电流 | ≤1000mA |
信噪比 | >50dB |
环境温度 | -25℃~+70℃ |
大气压力 | 86~106KPa |
相对湿度 | ≤95%RH(+25℃) |
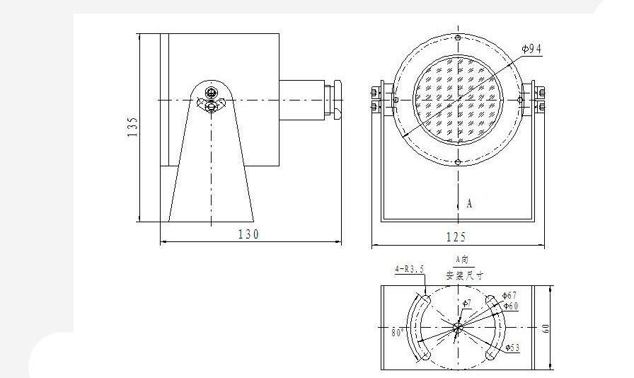
外形尺寸 | ¢94mm ×130 mm(长) |
出线孔规格 | G 1/2"* 1个 |
重量 | ≤3Kg |
注:
1, 该款可以特制向下出线, 用于安装在天然气槽车后箱和需要壁装的环境
2, 该款也可以安装网络模组
3,特殊情况也可以提供24V电压 (交流和直流都可以是24V)
备注:同一型号产品可能会有多个版本和配置,详细参数和需求请咨询销售人员。

防爆挠性连接管
