0755-28397973
时间:2021/03/05 点击量:63

防爆性能符合GB3836.1-2010《爆炸性环境 第1部分: 设备 通用要求》、GB3836.2-2010《爆炸性环境 第2部分: 由隔爆外壳“d”保护的设备》、GB3836.4-2010《爆炸性环境 第4部分: 由本质安全型“i”保护的设备》、GB12476.2-2013《可燃性粉尘环境用电气设备第 1 部分:通用要求》、GB12476.5-2013《可燃性粉尘环境用电气设备 第 5 部分: 外壳保护型”tD” 》 的规定制成隔爆和本安复合型防爆结构。
产品型号:RFB80 (厂家编号: RFB80/I/N-200-32)
防爆级别:Ex d [ia Ga] ⅡC T6 Gb/Ex tD [iaD] A21 IP68 T80℃
防护等级: IP68
防爆合格证号: CNEx17.1219
壳体材质:优质不锈钢304
功能特点:
壳体采用优质304不锈钢, 防腐防爆 (特殊防腐环境可选316不锈钢)
外观新颖, 美观大方
60-100米红外可视距离,可见光不足时红外灯自动开启,可在夜晚和光线较差时使用
内置本质安全型电路
外置雨刷, 可以用在雨天和灰尘等环境
合金传动齿轮转动平稳、噪声小、耐磨损
256个预置位,4条巡航轨迹, 花式巡航
全方位无盲点监视,定位精度高
网络传输, 支持ONVIF等协议, 可对接海康大华等多种NVR
适用环境:具有ⅡA、ⅡB、ⅡC类可燃性气体,引燃温度组别为T1-T6组的1区、2区,可燃性气体或蒸气与空气形成的爆炸性混合物的场所,也适用于引燃温度组别为T1-T6组的21区、22区,含有可燃性粉尘混合物的场所, 如:石油、化工、矿井、军工、医药、油库、轮船、钻井平台、加油站、天然气站、煤气站、花炮生产、粮食加工储存等。预置位达256个,防雷击、防信号浪涌、多条扫描模式,捕捉目标准确,适用于各种面积区域活动目标和固定目标的监控。
型号 | RFB80 (厂家编号: RFB80/I/N-200-32) |
防爆标志 | Ex d [ia Ga] ⅡC T6 Gb/Ex tD [iaD] A21 IP68 T80℃ |
水平转动角度 | 360°连续转动 |
垂直转动角度 | ±90° |
转动速度 | 水平10度/秒, 垂直10度/秒 |
电机特性 | 高扭矩精密步进电机 |
传动结构 | 高强度铝合金齿轮配装精密同步皮带 |
预置位数量 | 256个 |
预置位精度 | ± 0.5° |
图像传感器 | 200万像素逐行扫描1/1.8”CMOS传感器 |
最低照度 | 0.002 Lux/F1.5(彩色) ,0.0002 Lux/F1.5(黑白) |
白平衡 | 自动/手动/晴天/阴天/黄昏/白炽灯/钠灯/日光灯/一次跟踪/自动跟踪/特殊光源/锁定 |
宽动态 | 超级宽动态,自动宽动态,0-100 数字调整 |
数字降噪 | 3D降噪 |
焦距 | 6-192mm 32倍光学变焦 ,16倍数字变倍 |
视频压缩标准 | H.265 / H.264 / M-JPEG |
压传输缩码流 | 64Kbps-12Mbps |
主码流 | 50Hz: 25fps(1920×1080,1280×720) 60Hz: 30fps(1920×1080,1280×720) |
子码流 | 50Hz: 25fps(720×576,352×288); 60Hz: 30fps(720×480,352×240) |
字符叠加 | 支持通道名、日期时间信息叠加,叠加位置用户可调,可反色 |
图像设置 | 区域遮挡,抗闪烁,去雾,走廊模式,镜像,翻转,背光补偿,强光抑制,曝光补偿,增益,曝光补偿,饱和度,亮度,对比度,尖锐度,增益,多码流,码率等可通过客户端或IE浏览器调整,支持移动侦测,视频遮挡,周界,绊线等 |
网络协议 | 支持TCP/IP,HTTP,DHCP,DNS,DDNS,RTP,RTSP,PPPoE,SMTP,NTP,UPnP, FTP,HTTPS等 |
接入协议 | 支持ONVIF,GB/T28181等协议 |
通用功能 | 心跳,密码保护,多用户访问控制等,支持最大128G SD卡本地存储 |
制造材质 | 优质304不锈钢 (可用于腐蚀性环境) |
供电电压 | AC220V |
工作电流 | ≤2000mA |
环境温度 | -25℃~60℃(环境低于-30℃可选配温控装置) |
大气压力 | 86~106KPa |
相对湿度 | ≤95%RH(+25℃) |
电气连接 | 复合电缆(包含电源接线和RJ45网络) |
安装方式 | 壁式安装 (可选吊装) |
出线孔规格 | G 1/2” * 1 |
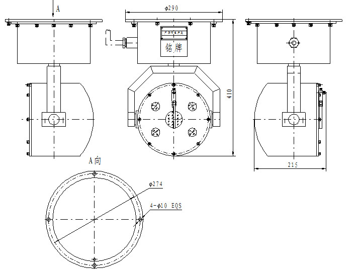
外形尺寸 | ¢290 X 410 (¢380 X 570 含壁装支架) |
重量 | ≤26Kg |
另外,可根据客户需要配置其他型号的变焦机芯
外形图片:

外形尺寸:
未安装支架尺寸图

已安装支架尺寸图
